蓝燕云
产品
价格
下载
伙伴
资源
电话咨询
在线咨询
免费试用

电路施工图

"电路施工图"相关的最新动态、产品更新、行业资讯和技术分享。

搜索关键词:电路施工图
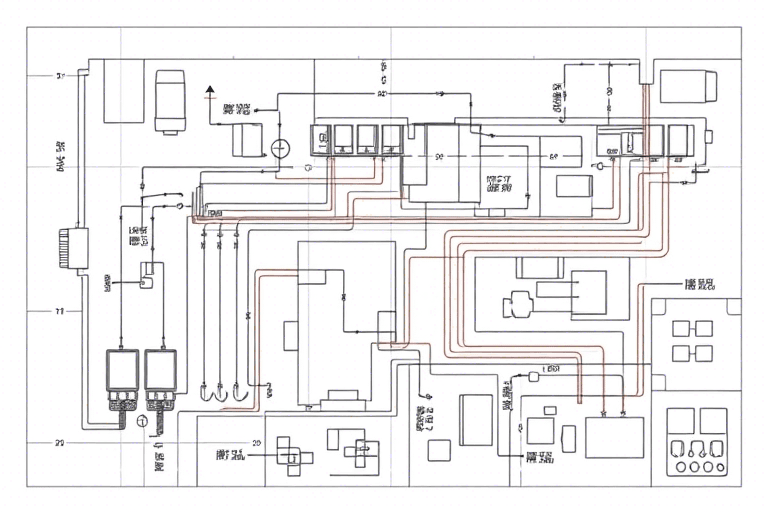
标签:电路施工图(电路施工图是电气工程中用于指导线路铺设、设备安装和系统调试的详细图纸,包含电源进线、配电箱位置、回路分配、开关插座布局及电缆走向等信息。它是施工人员按图作业的技术依据,确保用电安全、功能完善与规范施工,也是后期维护和改造的重要参考。)
找到 5 篇相关文章

工程管理最佳实践

全方位覆盖工程项目管理各环节,助力企业高效运营

项目成本中心

项目成本中心

蓝燕云项目成本中心提供全方位的成本监控和分析功能,帮助企业精确控制预算,避免超支,提高项目利润率。

免费试用
综合进度管控

综合进度管控

全面跟踪项目进度,确保按时交付,降低延期风险,提高项目成功率。

免费试用
资金数据中心

资金数据中心

蓝燕云资金数据中心提供全面的资金管理功能,帮助企业集中管理项目资金,优化资金配置,提高资金使用效率,降低财务风险。

免费试用
点工汇总中心

点工汇总中心

蓝燕云点工汇总中心提供全面的点工管理功能,帮助企业统一管理点工数据,实时汇总分析,提高管理效率,降低人工成本。

免费试用

灵活的价格方案

根据企业规模和需求,提供个性化的价格方案

免费试用

完整功能体验

  • 15天免费试用期
  • 全功能模块体验
  • 专业技术支持服务
立即试用

专业版

永久授权,终身使用

468元
/用户
  • 一次性付费,永久授权
  • 用户数量可灵活扩展
  • 完整功能模块授权
立即试用

企业定制

模块化配置,按需定制

  • 模块化组合配置
  • 功能模块可动态调整
  • 基于零代码平台构建
立即试用
电路施工图是什么 | 蓝燕云